单调谐滤波器
自动调谐系统由连续可调的反应器和自动调谐控制系统组成。该电抗器采用双绕组正交磁化原理来改变控制绕组的直流电流,以不断调节电感。
该反应器具有反向调节特性和足够的调节范围,以满足滤波器失谐的补偿要求。控制系统以滤波器的h次谐波阻抗角为控制目标,采用PI调节规律设置限制和死区策略,保证自动调谐系统的性能和稳定性。
实验结果证明了失谐补偿策略的正确性和自整定滤波器的可行性。
您可能还喜欢这些产品
抗谐波智能电容器抗谐波智能电力电容器是应用于0.4KV低压配电网的新一代无功补偿设备,具有高效、节能、过滤谐波、提高功率因数改善等特点,取代了传
电感滤波与电容滤波的区别1.不同的适用电流电容滤波:适用于小电流,电流越小,滤波效果越好。电感滤波:适用于大电流,电流越大,滤波效果越好。2.不同的输出电压电容滤波
滤波器在无线电通信、非电量及微弱信号检测、电视接收机、自动控制等电路中,所能接收到的信号通常都是很微弱的,且其中还混杂有无用或
滤波器的作用(1) 将有用信号与噪声分离,以提高信号的抗干扰性和信噪比;(2) 滤除不感兴趣的频率分量,提高分析精度;(3) 将单个频率分量与复频率分量分
滤波器的基本原理该滤波器由一个由电感器和电容器组成的低通滤波器电路组成,该电路允许有用信号的电流通过,并且对较高频率的干扰信号具有较大的衰减。由于有两
- 电容器并联和串联对滤波器补偿器的影响
电容器并联和串联对滤波器补偿器的影响电容器是电路中常见的电子元件之一,广泛应用于各种电子器件和电路中。滤波器补偿器中并联和串联电容器的
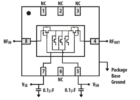
升级音频系统的高通校准滤波器行业/应用领域高端音频使用的产品散装金属箔® VSH 电阻器案例研究说明升级 Bowers & Wilkins 800 系列可变高通对准滤波器挑战“以尽可能低的噪音获得最
滤波电容滤波电容器是安装在整流电路两端的储能装置,用于降低交流纹波系数,提高高效平滑的直流输出。滤波电容器具有极性,也称为电解电
- 低阻值金属条贴片电阻器(LRC系列)与线艺(LINEART)滤波器性能对比分析
引言在现代电子设备设计中,元器件的性能直接影响系统的稳定性、效率和可靠性。低阻值金属条贴片电阻器(如LRC系列)与线艺(LINEART)滤波器作为关
- 空调外部单元电容器的安装方法
空调外部单元电容器的安装方法空调机组的电容器是一个重要的电子元件,可以帮助电机更高效、更稳定地运行。安装空调机组电容器时,需要注意以下
什么是滤波电容电容器是两个彼此靠近又相互绝缘的导体。 滤波电容器是一种安装在整流电路两端的储能器件,用于降低交流纹波系数,提
滤波器选大电容还是大电感电容对地滤波,需要一个较小的电容并联对地,对高频信号提供了一个对地通路,电源滤波中电容对地脚要尽可能靠近地,理论上说电源滤波用电容越大
- LRC系列贴片电阻与LINEART滤波器在工业自动化系统中的协同应用研究
背景概述随着工业4.0进程加速,自动化控制系统对信号精度、抗干扰能力和系统稳定性提出了更高要求。在该背景下,低阻值贴片电阻(如LRC系列)与高
滤波电容击穿向保险丝会烧吗滤波电容器的常见故障分析滤波电容器的常见故障是击穿、漏电、开路和容量减小等等,今天就来对滤波电容器进行简单的故障分析。首先来说击穿和漏
电容滤波电路直流成分电容滤波的工作原理在整流电路输出的电压是单向脉动性电压,不能直接给电子电路使用。所以要对输出的电压进行滤波,消除电压中的交流成分,成为
电阻在电路中的滤波作用电阻的滤波作用一般是和电容组成RC滤波电路,可分为低通和高通电路
- 电感线圈的使用可分为三种类型:扼流、滤波和振荡
电感线圈的使用可分为三种类型:扼流、滤波和振荡1、 扼流圈:用于低频电路中,以阻挡低频交流电;脉冲直流到纯直流电路;常用于整流电路输出端
- 二极管整流技术对比:半波、全波与桥式整流详解
二极管整流方式的分类与比较根据电路结构的不同,二极管整流可分为半波整流、全波整流和桥式整流。每种方式在效率、输出波形和平滑程度方面各有
高压单台三相电容器外壳内部接线高压电容器介绍(结构,功能,用途和参数)高压电容器是由圆筒体、筒体顶部、平盖或半球形形封头、密封元件以及一些附件组成。电容器具有耗损低
可调电阻和电位器有哪些区别电位器和可调电阻器之间的主要区别是:电位器是一个有三个引出端子的电阻元件,电阻值可以根据一定的变化规律进行调整。电位器通常由电阻器和可
