当具有不同额定电流的多个用电设备需要同时连接到主电路时,可以在具有较小额定电流的用电设备两端并联一个电阻。这种阻力的作用是“分流”。例如,有两个灯泡A和B,额定电流分别为0.2A和0.4A。显然,这两个灯泡不能直接串联到同一电路上。但是,如果在灯a的两端并联一个合适的分流电阻器(如图1所示),当开关S闭合时,灯a和灯B可以正常工作。
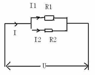
例如,在使用电压表测量电阻的实验设计中,可以设计图2所示的实验电路。分流电阻R可与待测电阻并联使用。主电路电流和分流电阻R中的电流可以借助安培计测量。可使用分流公式计算待测电阻的电阻值。如果只有一个安培计,可以通过将安培计依次连接到干线电路或不同支路来测量或计算I和(或和或和)。
如图1所示,在电池充电电路中,为了使充电电流不超过规定值,可以在电路上连接限流电阻器。在充电过程中,通过适当调整接入电阻的大小可以保持电流稳定。例如,在可调光台灯的电路中,为了控制灯泡的亮度,还可以将限流电阻器连接到电路。通过调整连接电阻器的大小,可以控制电路中的电流以控制灯泡的亮度。
电阻在电路中的分流作用
您可能还喜欢这些产品
电阻在电路中的分流作用当具有不同额定电流的多个用电设备需要同时连接到主电路时,可以在具有较小额定电流的用电设备两端并联一个电阻。这种阻力的作用是“分流”。例
- 分流电阻与保险丝在交流直流电路中的应用差异解析
分流电阻与保险丝的基本概念分流电阻(Shunt Resistor)是一种用于测量电流的精密电阻,通过其两端的电压降来推算流经的电流值。而保险丝(Fuse)则是
电阻在电路中分压作用通常,额定电压值标注在电器上。如果电源高于电器的额定电压,则电器不能直接连接到电源。在这种情况下,电器可以与具有适当电阻值的电阻器串联
电阻在电路中限流的作用一般用电器上都标有额定电压值,若电源比用电器的额定电压高,则不可把用电器直接接在电源上,在这种情况下,可给用电器 串接一个合适阻值的电阻
并联电路分流作用并联分流是因为当多个电路元件(例如电阻器)并联连时,它们的起点和终点连接在一起,因此起点和终点的总电荷总体上与每个电路元
- 采样电阻的工作原理及其在电路中的关键作用
采样电阻的工作原理及其在电路中的关键作用采样电阻是电子系统中用于测量电流或电压的关键元件,广泛应用于电源管理、电机控制、电池监测等场景
- 如何优化分流芯片电阻在高精度电流检测中的性能表现
提升分流芯片电阻测量精度的核心策略在高精度电流检测系统中,分流芯片电阻的表现直接影响整个系统的准确性。通过合理的设计与配置,可显著提升
电阻在电路中的滤波作用电阻的滤波作用一般是和电容组成RC滤波电路,可分为低通和高通电路
- 合金采样电阻在高精度电流检测中的关键作用
合金采样电阻:高精度电流检测的核心组件在现代电子系统中,准确获取电流数据是实现闭环控制、故障预警与能效优化的基础。合金采样电阻凭借其卓
并联电阻具有分流作用组织越大的电阻分得电流越大电阻器是电路中已知最早的元件,也是最简单的元件。除了具有特定阻值的电阻器(如色环电阻器、贴片电阻器等)外,我们日常生活中常用的电炉、电
变压器在电路中的主要作用有哪些变压器是利用电磁学的电磁感应原理将电能从一个电路传输到另一个电路的电气设备。它可以将一个电压的交流能量转换为同一频率下另一电压的交流能
- 分流器电阻与分流电阻器的原理及交流直流应用差异解析
分流器电阻与分流电阻器的基本概念分流器电阻(Shunt Resistor)是一种用于测量电流的精密电阻元件,其核心作用是将大电流按比例分流,从而在低电压
- 保险丝电阻与安全电压在家庭电路中的关键作用解析
保险丝电阻与安全电压在家庭电路中的核心功能在现代家庭用电系统中,保险丝电阻和安全电压是保障电路安全运行的两大基石。它们共同构成了家庭电
直流升压电路中电感的作用电感元件在直流电路中的作用我们平常所说的直流或者说常识中的是稳恒直流,也就是电流大小和方向均不随时间变化,长这样:稳恒直流电其实,只要
- 分立半导体组件在现代电子系统中的关键作用
分立半导体组件在现代电子系统中的关键作用分立半导体组件作为构建复杂电子系统的“基石”,在各类终端产品中扮演着不可或缺的角色。从家用电器
功率电感在升压电路中的作用功率电感在升压电路中起着至关重要的作用,提供了升压、电流稳定、滤波和储能等重要功能。 首先,功率电感在升压电路中起到升
- 电流感应芯片电阻在智能电源管理中的应用与优势分析
电流感应芯片电阻的核心作用电流感应芯片电阻是现代电子系统中实现精确电流监测的关键元件。它通过将电流转换为电压信号,供微控制器或电源管理
- RLS金属材质电流感应电阻在工业自动化中的应用与优势分析
RLS金属材质电流感应电阻在工业自动化中的应用与优势分析随着工业自动化技术的不断发展,高精度、高稳定性的电流检测元件成为关键组成部分。其中
- 采样电阻的工作原理及其在电路中的关键应用解析
采样电阻的基本概念采样电阻,又称分流电阻(Shunt Resistor),是一种用于测量电流的精密电阻元件。其核心作用是通过将大电流转换为可测量的小电压
- RBL宽电极低阻电流取样电阻在共阳极RGB LED电路中的应用解析
RBL宽电极低阻电流取样电阻与共阳极RGB LED的协同设计在现代LED驱动系统中,RBL宽电极低阻电流取样电阻因其高精度、低功耗和良好的热稳定性,被广泛应
